Docisk szybkomoc.czol. z drazkiem przesuw.6842 wlk. 3 AMF
216,42 zł
20 w magazynie
Express wysyłka z naszego magazynu!
- Darmowa dostawa od 250 zł
- Rabaty dla stałych klientów
- Bezpieczne płatności
Opis
Wykonanie: docisk dociskający i dociągający (drążek przesuwny i ręczna dźwignia są współbieżne). Wykonanie ciężkie, z długą prowadnicą drążka przesuwnego. Korpus z żeliwa ciągliwego, lakierowany. Ocynkowany i pasywowany. Części dźwigni i drążek przesuwny ze stali ulepszonej cieplnie. Nity ze stali nierdzewnej, dla rozmiaru 3 poruszają się w tulejach łożyskowych utwardzanych dyfuzyjnie. Punkty łożyskowe smarowane. Uchwyt z czerwonego tworzywa sztucznego, odpornego na oddziaływanie olejów.
Dla rozmiaru 3: Ergonomiczny uchwyt odporny na oddziaływanie olejów, z dużą powierzchnią przylegania dłoni, z miękkich komponentów.
Zastosowanie: stosować jako docisk dociskający i dociągający. Idealny do stosowania w specjalnych mechanizmach mocujących w produkcji seryjnej.
Zakres dostawy: w komplecie z ulepszaną cieplnie, ocynkowaną śrubą dociskową.
Informacje dodatkowe
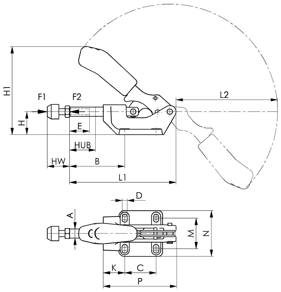
| Waga | 0,54 kg |
|---|---|
| Kod producenta | 94235 |
| Rozmiar | 3 |
| F1 | 4 kN |
| F2 | 4 kN |
| Śruba dociskowa | M8 x 35 |
| Waga | 540 g |
| A | 12 |
| B min. | 40 |
| B maks. | 72 |
| C | 41 |
| D | 6,5 |
| E | 30 |
| H | 30 |
| H1 | 116 |
| Skok | 32 |
| HW min. | 22 |
| HW maks. | 35 |
| K | 28 |
| L1 | 139 |
| L2 | 135 |
| N | 60 |
| P | 95 |





